View Images Library Photos and Pictures. Project 5 Buildaudioamps Pdf A 2 To 6ghz Class Ab Power Amplifier With 28 4 Pae In 65nm Cmos Supporting 256qam Index Of Audio Circuits Power Amplifiers Class Ab Fet 36 Watt Audio Power Amplifier Using Tda1562q Circuit Diagram And Instructions
. Pdf A 2 To 6ghz Class Ab Power Amplifier With 28 4 Pae In 65nm Cmos Supporting 256qam 3000w Stereo Power Amplifier Circuit Power Amplifiers Electronics Circuit Audio Amplifier Diagram Class H Amplifier Circuit Diagram Full Version Hd Quality Circuit Diagram Tendiagrams Promotionloisirs Fr
The Gem Class A Ab Amplifier
Apex H900 Sch Service Manual Download Schematics Eeprom Repair Info For Electronics Experts
Diagram Class H Amplifier Circuit Diagram Full Version Hd Quality Circuit Diagram Diagramluftv Gtaci Fr
Diagram Class H Amplifier Circuit Diagram Full Version Hd Quality Circuit Diagram Bookschematic2h Odontomedsas It
Pdf A 2 To 6ghz Class Ab Power Amplifier With 28 4 Pae In 65nm Cmos Supporting 256qam
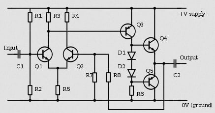
Class H Amplifier Circuit Diagram Troubleshooting Circuits Diagram
Class H Amplifier Circuit Diagram Lovely 1000w Audio Power Amplifier Circuit Diagram Elegant 30 Best Idea Audio Amplifier Amplifier Circuit
800w Power Amplifier Circuit Power Amplifiers Circuit Diagram Mini Amplifier
Amplimos One Stage Amplifiers Amplificatori Audio Monostadio
What Are The Different Types Of Audio Amplifier Classes Audioholics
Figure 5 From An 80 4 Peak Power Efficiency Adaptive Supply Class H Power Amplifier For Audio Applications Semantic Scholar
Amplifier Classes From A To H Circuit Cellar
What Are The Different Types Of Audio Amplifier Classes Audioholics
How To Make A Buffer Cascade In Op Amp Buffer Amplifier The Real Application Of Op Amps As An Example Of Inverting And Non Inverting Amplifiers
5000w Ultra Light High Power Amplifier Electronics Lab Com
Pin By Daniel Milodanovic On Ezaz Power Amplifiers Electronics Circuit Amplifier
170w Class D Amplifier Schematic Diagram
Powerful 2000w Power Amplifier Class H Electronic Circuit
Diagram Class G Amplifier Circuit Diagram Full Version Hd Quality Circuit Diagram Diagrampastinchl Alpoggioantico It
Ts 4224 High End Power Amplifier Circuit Download Diagram
Diagram Coolpad 5200s Schematic Diagram Full Version Hd Quality Schematic Diagram Diagrammoakq Chicosamba It
High Power Class D Amplifier D4k5 Electronic Circuit
3000w Stereo Power Amplifier Circuit Power Amplifiers Electronics Circuit Audio Amplifier
Amplifier Classes From A To H Circuit Cellar
M 900u Power Amplifiers Products Luxman Seeking Higher Sound Quality
36 Watt Audio Power Amplifier Using Tda1562q Circuit Diagram And Instructions
New Tube 6p1 Class Ab C Circlotron
Class H Amplifier Circuit Diagram Unique 1000w Mosfet Power Amplifier Circuit Diagram Elegant 800w Audio Audio Amplifier Circuit Diagram Power Amplifiers

No comments:
Post a Comment